Feistel-SP结构
下图即为Feistel-SP结构的通用模型,其中F函数是SP结构

注:$X_{i}^{1}$和$Y_{i}^{1}$分别表示通过$S_{1}$的输入和输出向量,$X_{i}^{j},Y_{i}^{j}$类似.
线性分析
Theorem
基本方法即为寻找一个给定密码系统下,具有如下形式的有效线性表达式
($i_{1},…,i_{a};j_{1},…,j_{b};k_{1},…,k_{c}$均为固定比特位)
设$X_{1},X_{2},…,X_{k}$为$\{0,1\}$上的独立随机变量,$Pr(X_{i}=0)=p_{i},Pr(X_{i}=1)=1-p_{i}$,则用分布偏差来表示其概率分布,定义如下
[堆积引理] - $Pr(X_{1}\oplus …\oplus X_{n}=0)=\frac{1}{2}+2^{n-1}\prod_{i=1}^{n}\epsilon_{i}$,或表示为$\epsilon_{1,2,…,n}=2^{n-1}\prod_{i=1}^{n}\epsilon_{i}$.
利用堆积引理,我们即可以对每轮变换中偏差最大的线性逼近式进行组合,组合后的线性逼近式也将拥有最佳的偏差,即为要找的最佳线性逼近式
[SPN]
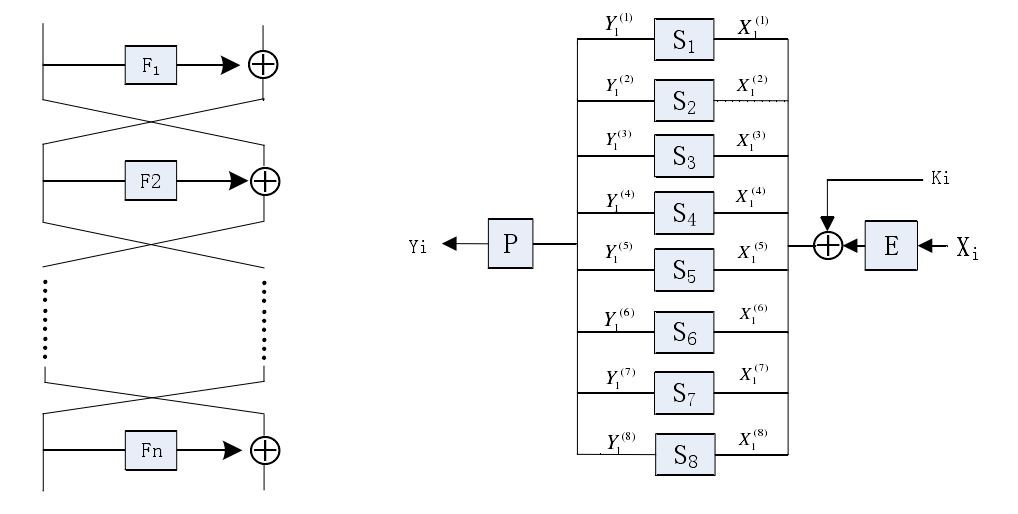
下为单轮SPN的示意图

可见非线性结构只有S盒,因此只对其作偏差估计,具体方法如下(假设S盒为16*16):
将输入的线性近似表示为$a_{1}\cdot X_{1}\oplus a_{2}\cdot X_{2}\oplus …\oplus a_{8}\cdot X_{8}(a_{i}\in \{0,1\})$,对应的,我们也将输出线性近似表示为$b_{1}\cdot Y_{1}\oplus b_{2}\cdot Y_{2}\oplus …\oplus b_{8}\cdot Y_{8}(b_{i}\in \{0,1\})$,穷举所有组合$(a,b)$对应的使得线性近似输入$\oplus$线性近似输出=0的偏差 (256*256)
偏差计算公式$\epsilon(a,b)=(N_{L}(a,b)-128)/256$($N_{L}(a,b)$为固定(a,b)下,满足上述条件的(X,Y)的个数)
我们的目的就是要找到$|\epsilon(a,b)|_{max}$对应的线性表达式,将其作为该单个S盒下的最佳线性估计
以下面的SPN网络进行讨论分析:

中间的P盒如下:
为方便分析,我们假设$S_{11}=S_{12}=…=S_{18}$,在找合适的线性逼近前,我们要知道以下两点:
- 每个线性逼近对应的密钥子集猜测空间不能过大(这里我们使得每个线性逼近表达式里的$C_{i}$满足$8j< i\leq 8(j+1)$,j在每次猜测下各自固定)
- 涉及线性估计的S盒不能过多(堆积引理$\epsilon_{1,2,…,n}=2^{n-1}\prod_{i=1}^{n}\epsilon_{i}$可知,总偏移量的绝对值会随着n的增大而减小,总偏移量过小会使得在猜测密钥时的成功率极低)
因此我们选择分别对应$S_{11}$八个输出的八个$S_{11}$的最大偏差线性估计,来进行八个第二轮子密钥的猜测(基于不正确的随机密钥会使得测试的明密文对中,满足线性表达式的概率趋于$\frac{1}{2}$,即偏差减小),总的猜测空间为256*8
以$K_{2,1},K_{2,2},…,K_{2,8}$为例,取$u_{1}$为$S_{21}^{-1}(C_{1}\oplus K_{2,1}||C_{2}\oplus K_{2,2}||…||C_{8}\oplus K_{2,8})$的最高位比特
从上述S盒的分析得出$S_{11}$固定$b=10000000$时,最大偏差线性估计对应的$a(a_{1}a_{2}a_{3}a_{4}a_{5}a_{6}a_{7}a_{8})$,因为$K_{1,i}s$异或为定值(0/1),故不予加入线性表达式,$u_{2}$取为$P_{a_{i}}s$的异或$(a_{i}均等于1)$
密钥空间为256,且每次取相同10000组数据进行线性分析,则假设使得$u_{1}\oplus u_{2}=0$成立的组数为N,$bias=|\frac{N-5000}{10000}|$,很大概率下,$bias_{max}$对应的即为正确密钥
第二轮子密钥完全恢复后,任取一组明密文对即可轻易恢复第一轮子密钥,线性分析结束
exp
以NPUCTF2020出的EzSPN为例
1 | import os, sys |
More
在轮次高的时候,线性分析的分析复杂度往往会更高,而且成功率有所降低,具体视题目而定
中间相遇攻击
Theorem
以下基本原理参照ctf-wiki
假设 E 和 D 分别是加密函数和解密函数,$k_{1}$ 和 $k_2$ 分别是两次加密使用的密钥,则我们有
暴力枚举$(k_{1},k_{2})$的组合对应时间复杂度为$O(N^{2})$,而基于$E_{k_1}(P)=D_{k_2}(C)$这一事实
我们可以将$E_{k_1}(P)$和$D_{k_2}(C)$制成两张容量均为N的映射表,取交集即可获得中间态,进而恢复出两轮密钥
最好不要在求解第二张映射表的同时查表(这会使得查找耗费的时间大大增加),以两张完整表取交集即可
2020-BBCTF的经典例子:
1 | key1 = '0'*13 + ''.join([random.choice(printable) for _ in range(3)]) |
采用中间相遇攻击即可将时间复杂度控制在$O(2\cdot 100^{3})$下
exp
1 | # In[27]: |
差分分析
Theorem-0
差分分析基本思想:选择大量的候选明文差分对,对应密文差分的影响来恢复尽可能多的密钥. 差分$\Delta X_{i}=X_{i}\oplus X_{i}^{*}$.

差分分析符号定义如下:
Theorem-1
下介绍如何高效搜索Feistel-SP结构分组密码的多轮高概率差分路径.
Matsui的原算法如下:

Matsui’s algorithm works by induction on the number of rounds and derives the best n-round weight B_n from the knowledge of all i-round best weight B_i (1 ≤ i ≤ n-1).
且原始的递归深搜算法复杂度相对高,因此在其基础上进行剪枝.
重构S盒差分分布表,将其转化为密集型哈希表。python用字典实现即可(输入差分→输出差分→概率)
基于向量剪枝的优化Matsui算法
在基于字节剪枝的Matsui算法中,频繁的穷尽搜索$2^{32}$或$2^{64}$,因此使用向量递归调用,尽可能早的过滤不满足的$\Delta X_{i}$和$\Delta Y_{i}$.
以下是对Round-2的算法剪枝,后续轮也可采用相似算法
1
2Call Procedure Round-2-1
Return to the upper procedure.Procedure Round-2-j (1 <= j <= 8):
For each candidate for $\Delta X_{2}^{j}$ and $\Delta Y_{2}^{j}$,do:
$\quad p_{2}^{j} = (\Delta X_{2}^{j}, \Delta Y_{2}^{j})$ and $p_{2} = [p_{2}^{1}, …, p_{2}^{j}]$;
$\quad if\ [p_{1}, p_{2}, B_{n-2}]< \bar{B_{n}}$, then continue;
$\quad if\ [p_{1}, p_{2}, B_{n-2}]\geq \bar {B_{n}}$:
if $j\neq 8$, then call Procedure Round-2-(j+1);
else call Procedure Round-3;
Theorem-2
差分过程可以简单归纳为
(1) 采样:选择大量合适的明文对(满足差分),并获得相应的密文对;
(2) 去噪,通过观察密文对差分的一些特性,提早过滤一部分不正确的明文对,排除干扰;
(3) 提取信息,对过滤后的数据和每个猜测密钥进行统计分析,恢复正确轮密钥(部分比特);
m: 样本量大小; p: 差分区分器概率; $\upsilon$: 平均每个密文对蕴含的密钥数;
l: 攻击所猜测的密钥量; $\lambda$: 去噪阶段的过滤系数
注:其中$\upsilon$与S盒差分分布表有关,大致估计方法可以为:
(e.g.) S盒6进4出,平均意义上差分分布表的取值为$2^{6}/2^{4}=4$. 假设一次攻击猜测4个S盒对应的密钥,则该参数可估计为$4^{4}=2^{8}$.
则正确密钥至少被统计了$mp$次,所有猜测密钥平均被统计了$\frac{m\lambda\upsilon}{2^{l}}$次,则信噪比
信噪比越大,即正确密钥被统计次数相对越多,更容易在计数器中被区分,从而降低选择明文攻击的明文量
$m\approx \frac{c}{p},c=constant$. 以Shamir提出的DES相关实验数据为例:
$S/N\in [1,2]$,c取值$[20,40]$;$S/N$更大时,c取值$[3,4]$.
Theorem-3
对n轮Feistel的差分攻击,一般性上往往是1-R攻击,至于m-R攻击(如对八轮DES的3-R差分攻击),尽管差分特征概率会有所降低,但往往需要根据具体S盒P盒进行更特殊的构造,而非直接利用搜索到的n-1轮高概率差分特征进行攻击。
且对于非双射关系的S盒(如DES六进四出的S盒),即可能存在两轮迭代差分特征,如下图所示:

因为该类的S盒存在输入差分不为0,但输出差分为0的情况,在Pro(in, 0)较大时,我们就能利用二轮迭代差分特征实现2n+1(n>=1)轮Feistel的1-R攻击(完全依赖于S盒特性及相邻S盒间关系)
搜索仅sbox[i]~sbox[j]激活的二轮迭代差分特征可采用以下递归算法实现(以下算法基于DES的E函数(F函数第一步)扩展)
1 | # 2-round iterative differential feature (sbox[i]~sbox[j]) |
exp
以WMCTF出的idiot box为例,我的本意是S盒随机shuffle生成,key不变,动态请求靶机直至找到使高概率二轮迭代差分特征存在的S盒,但阿里云频繁remote真的慢慢慢慢慢慢,还会被banip
version1的exp是一次攻击两个相邻S盒,分四段得到第六轮的子密钥,但是因为上述原因改了- -
改成静态S盒后,又有一样的问题,拿差分攻击要的明密文对本地秒出,但是docker挂载阿里云以后发现取$2^{12}$个明文对都要三分钟- -NM$L
于是version1的exp因为每段要取$2^{14}$个明文对,分四段($2^{16}$对),改成了version2每段取$2^{12}$个明文对,分八段($2^{15}$对)
Sbox也改成了根本就不符合S盒定义的Sbox,因为其实是不存在针对单个S盒的二轮迭代的(因为由E扩展函数知,该迭代差分特征要求输入差分为$00x_{1}x_{2}00$(即明文对处于同行),所以不可能存在满足该差分输入的明文对同时满足差分输出为0)
歪日,👴真的吐了,version1远程exp估计要跑将近1h,相较之下version2的exp将近30min,还算能接受…吧
这里给出我version1的本地测试exp,就不放WMCTF上的版本了(这个根本称不上是S盒的Sbox一直有、膈应
Click Here to Download idiot box-version 1
再做下exp里一些部分的解释:
针对相邻两个S盒的find_path:
1
while max_pro < 192: # find suitable sbox
要求max_pro < 192的原因是要令S/N足够大,$S/N\geq\frac{2^{12}(\frac{192}{64*64})^{2}}{4^{2}}\geq 0.5625$,因此可将c暂取为40,$m=c/p\leq 40\frac{64^{4}}{192^{2}}\approx 18204$,所以
1
2
3for i in tqdm(range(2**(4*(right-left+1)))):
for j in range(2**3):
for k in range(2**3):每次取$2^{14}$个明文对,并同时通过密文右半部分差分过滤错误对
关于选择明文攻击时明文shift的解释:
1
2
3i_shift = 60 - right * 4
j_shift = (i_shift - 3) % 32 + 32
k_shift = (i_shift + 4 * (right - left + 1)) % 32 + 32选取的明文对注意一定要激活差分特征上的活跃S盒
密钥计数器得到的最后一轮候选子密钥可能存在多解,验证校验明文即可
滑动攻击
Theorem
http://theamazingking.com/crypto-slide.php
Group Mode(ECB)
Theorem


以i春秋2020公益赛NewsWebsite为例:
1 | ("${system.encrypt_key}") |
其3DES有选择明文攻击,且plainText可控,返回的密文为$E_{k}(plainText+System.currentTimeMillis()+flag)$
currentTimeMillis返回长度固定(除非运气极差碰上最高位进位…想peach)
且有private static String TRIPLE_DES_TRANSFORMATION = "DESede/ECB/PKCS5Padding",因此有如下攻击方法:

prefix填充padding_length*'a'后,恰好能使PKCS5后最后为8*'\x00'
基于$8\mid(len(E_{k}(‘’+currentTimeMillis+flag))+padding_length)$
得到crack_area分组对应密文后,由于crack_area明文段后7bits均已知,因此send data为爆破位+7已知bits,当返回的ct[:8]与前者吻合时,爆破当前比特位成功
后续比特位均类似,prefix++得到新的crack_area内容,进而逐位爆破即可
exp
1 | import requests |
Group Mode(CBC)
Theorem


CBC - Flipped Ciphertext Bits
可以看到CBC模式下,任一分组$C_{i}$的解密结果,均只与$C_{i}$和$C_{i-1}$有关($C_{1}$只和$IV,C_{1}$有关)
因此只需令$C_{i-1}=C_{i-1}\oplus P_{i}\oplus (you\ want)$即可(从最后一块向前翻转)
1 | In [1]: import os |
CBC - Chosen Plaintext Attack
https://0xdktb.top/2020/08/02/WriteUp-WMCTF2020-Crypto/#Game
CBC - Padding Oracle Attack
在服务器检查解密合法性,为检查PKCS5-padding的suffix部分,且合法与非法返回不同状态时(不返回明文内容),可以采用Padding Oracle Attack

Group Mode(GCM)
Theorem0

对AES-GCM,有以下符号定义:
$a|b$: a, b位串的连接;
$0^{s}$: 长度为s的0串
$A_{i}$: 第i块的auth-data
$IV$: 96bits(12bytes)初始向量
$cnt$: 4bytes计数器counter值,$cnt=(i+1)\%2^{32}$
$J_{i}$: 第i块的Enc input,$J_{0}=IV||0^{31}||1$
$Gmul_{H}(X)$: $GF(2^{128})$上的$H\cdot X$,素多项式$f=1+\alpha+\alpha^{2}+\alpha^{7}+\alpha^{128}$
对生成auth-tag的过程有:
- $H=Enc_{k}(0^{128})$
- $X_{0}=0$,假设Auth-data占了m个block长度,$X_{i}=Gmul_{H}(X_{i-1}\oplus A_{i})$,for $i\in\{1,..,m\}$
- $X_{i+m}=Gmul_{H}(X_{i+m-1}\oplus C_{i})$,for $i\in\{1,…,n\}$
- $S=Gmul_{H}(X_{m+n}\oplus(len(A)||len(C)))$,len(A)和len(C)均为长度64的位串(BLOCK_SIZE/2)
- $T=S\oplus Enc_{k}(J_{0})$,即为auth-tag
GCM最后返回的消息为$C||T$.
Theorem1 - The Forbidden Attack
Overview
TLS下的AES-GCM生成的12bytes IV由以下部分组成:
- Salt(4 bytes):由TLS handshake,值等于server_write_IV / client_write_IV,属于IV的implicit part
- Nonce(8 bytes):服务器随机生成,属于IV的explicit part
$g(X)=A_{1}X^{m+n+1}+…+A_{m}X^{n+2}+C_{1}X^{n+1}+…+C_{n}X^{2}+LX+Enc_{k}(J_{0})$
(其中$L=(len(A)||len(C))$)
$g(H)=T$
我们的攻击主要基于已找到Nonce相同的一对collision(同一会话下Salt不变),则有
假设$m=0,n=1$,
$g_{1}(X)=C_{1,1}X^{2}+L_{1}X+Enc_{k}(J_{0})$
$g_{2}(X)=C_{2,1}X^{2}+L_{2}X+Enc_{k}(J_{0})$
且$g_{1}(H)=T_{1},g_{2}(H)=T_{2}$
$\therefore(C_{1,1}+C_{2,1})H^{2}+(L_{1}+L_{2})H+T_{1}+T_{2}=0$. (系数均已知)
故candidate H在上述方程的roots中,而roots总数一般与方程degree相同,且现实中degree并不会过大(消息极长除外),因此在发生nonce collision时,H的值就能被攻击

有了H就意味着我们能自生成合法auth-tag
攻击场景实例:
服务器与客户端间以AES/GCM进行通信,AES密钥及4bytes的Salt双方在通过密钥协商协议后各自保存在本地(第三方无法获取)
在正常通信时,传输的为cipher & auth-tag T & Nonce(8 bytes),可被第三方截取
则若我们通过上述方法攻破H,又有已知明文攻击的Oracle,即可通过已知明文的一组数据进行密文篡改并自生成合法auth-tag,实现对服务器的欺骗
Group Mode(CTR)
Theorem0


$C_j=E_k(nonce_j)\oplus P_j$
$P_j=E_k(nonce_j)\oplus C_{j}$
Theorem1 - Separator Oracle
假设明文格式为$username||timestamp||userlevel$
Separator Oracle能应用的场景大致为:
普通用户注册后,服务器给出其$username||timestamp||userlevel$通过CTR加密生成的token,保持作sessionid
在发起登陆请求时,服务端解密sessionid后若不成功会根据具体情况返回不用Exception
我们主要利用的为separate错误引起的Error抛出:
1 | separator = '|' |
攻击思路如下:
1 | pt = [0] * len(ct) |
原理很简单,CTR实质上可视作流密码(因为在需要加解密时,其分组密码部分得到的key是固定的)
对于ct的任一byte,若其对应pt的byte为一separator,则在异或上任一非零值送去解密时,oracle均会返回SeparatorException(occurred by removing a separator)
而若对应的非separator,则只需爆破异或的值,当返回SeparatorException时,即可知$new_ct\oplus j=ct\oplus ord(‘|’)$
通过这种攻击方式,我们能还原出分组加密部分的Key,且由于CTR mode是没有鉴别码机制的
因此我们能得到任意P’对应的密文$C’=C\oplus P\oplus P’$,即合法token,进行admin伪造(若中间为时间戳的话需篡改为满足token现仍有效期内的值)
高阶差分分析
Theorem0 - 离散高阶函数与高阶差分
定义1. 设$(S,+)$和$(T,+)$是两个Abel群,$f:S\rightarrow T$,则f在S中a点处的导数定义为
在点$\{a_1,a_2,…,a_i\}$处的i阶导数定义为
命题1. 设f是一个n变元的布尔函数,函数的代数次数为deg(f),则
(布尔函数f是从$F_2^n$到$F_2$的映射)
命题2. 设f是一个n变元的布尔函数,则函数的n阶导数为常数(constant),进一步,若f可逆,则其n-1阶导数为常数
命题3. 设f是一个n变元的布尔函数,$L[a_1,…,a_i]$是$a_1,…,a_i$的所有可能的线性组合,则
命题4. 布尔函数的高阶导数只依赖于其阶的大小,即
命题5. 设$f:F_2^n\rightarrow F_2^n$,$a_1,a_2,…,a_i$是$F_2^n$上i个线性无关的向量,若x在$F_2^n$上分布均匀,则对任意$b\in F_2^n$,等式$\Delta_{a_1,…,a_i}^{(i)}f(x)=b$成立的概率要么为0,要么至少为$2^{i-n}$
Proof: 假设有$\Delta_{a_1,…,a_i}^{(i)}f(x_0)=b$,则$\sum_{c\in L[a_1,…,a_i]}f(x\oplus c)=b$,进而
$\forall c\in L[a_1,…,a_i],\Delta_{a_1,…,a_i}^{(i)}f(x_0\oplus c)=b$,$Pro(\Delta_{a_1,…,a_i}^{(i)}f(x)=b)\geq2^{i}/2^{n}=2^{i-n}$
Q.E.D.
命题6. 当输入x均匀时,则差分对(a, b)出现的概率为f(x)在点a处的一阶导数取值b的概率
$P(\Delta_y=b|\Delta_x=a)=P(f(x+a)-f(x)=b)=P(\Delta_af(x)=b)$
进而推广至高阶差分,函数的一条i阶差分,即找到一i+1元数组$(a_1,…,a_i,b)$,使得$\Delta_{a_1,…,a_i}^{(i)}f(x)=b$
离散高阶函数与高阶差分的联系为: f(x)有一条i阶差分$(a_1,…,a_i,b)$当且仅当f(x)在$(a_1,…,a_i)$处导数为b
Theorem1 - 高阶差分攻击
以下为对一般分组密码的高阶差分攻击的框架:
设E是一个r rounds的分组密码算法,可写作$Y=E(X,K)$,假设
r-1 rounds的加密算法$E_{r-1}(X,K_{1},…,K_{r-1})$的deg为d,则
(由于$E_{r-1}$可逆),且有
则当d-1足够小时,攻击者就可以通过下述攻击流程获得最后一轮的轮密钥$K_{r}$:
- 寻找一个r-1 rounds的高阶差分区分器;
- 根据差分区分器的输出特征,确定要恢复的最后一轮轮密钥长度(一般不直接一次性恢复完整长度的轮密钥),不妨设所要恢复的部分轮密钥长度为s,则设置$2^{s}$个密钥计数器,初始化均为0;
- 随机选取一个d维子空间L(要求E可逆),则对所有$X\in L$,利用同一未知的密钥对其进行加密,获得对应的密文Y(Chosen Plain Attack,Oracle);
- 利用所有最后一轮的候选密钥对Y进行解密并求和,若该值为0,则对应counter++;
- 选取counter max对应的作为正确$K_{r}$;